
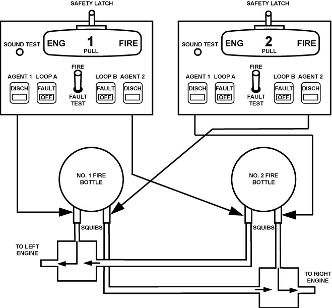
| La décharge de l’extincteur N°1 et l’illumination du voyant DISCH de l’agent N°1 sur le moteur N°2 et du voyant DISCH de l’agent N°2 sur le moteur N°1. |
| La décharge de l’extincteur N°2 et l’illumination du voyant DISCH de l’agent N°1 du moteur N°1 et de l’agent N°2 du moteur N°2. |
| La décharge de l’extincteur N°1 et l’illumination du voyant DISCH de l’agent N°1 sur les deux moteurs. |
| La décharge de l’extincteur N°2 et l’illumination du voyant DISCH de l'agent 1 du moteur 2 et du voyant DISCH l'agent 2 du moteur 1. |
Nouveauté : Boostez Votre Préparation !
Sur le site, vous trouverez notre nouveau Panneau de Simulations PRO ! Voici quelques-uns des avantages exclusifs que vous obtenez en le débloquant :
Vous préférez vous entraîner sur votre smartphone ? 📱 Découvrez les APPs Mobiles.
Vous pouvez toujours continuer avec la version gratuite, qui vous donne accès à 75% des questions avec une limite de 3 simulations par heure.
Vous avez atteint la limite gratuite
Passez à la version PRO pour vous entraîner sans limites et débloquer toutes les fonctionnalités pour une préparation complète.
En passant à la version PRO, vous aurez accès à :
...et bien plus encore !
🚀 DÉBLOQUER TOUS LES AVANTAGES
📱 Ou découvrez les Apps pour étudier même hors ligne
Votre prochain test gratuit sera disponible dans: 1 ora
QuizVds.it - Facebook - Contactez-nous - Donation - Politique de cookies - Politique de Confidentialité - Termes et conditions - Partenaires